My Store
Digital Level Shifter Module – 3.3V to 24V, optical-Isolated
Digital Level Shifter Module – 3.3V to 24V, optical-Isolated
Couldn't load pickup availability
Specifications:
Choice: yes
Condition: New
Dissipation Power: 0.04W
Model Number: OP71A04
Operating Temperature: -45-85
Package: SMD
Supply Voltage: DC 3-34V
Type: Logic ICs
is_customized: Yes
semi_Choice: yes
Product Name:
4ch 3.3V 5V 12V 24V Digital Logic Level Conversion Module PNP/NPN to NPN Optical Isolation Board for Arduiuo UNO NANO STM32 AVR
Packing included:
1 PCS 4-chanels 3.3V 5V 12V 24V to photoelectric isolation logic level conversion module
Features:
1. Multiple usage Used for signal isolation, PLC level conversion, PNP/NPN to PNP signal, signal level voltage conversion, etc.
2. Use original brand new Taiwanese coupler
3. Limit switching frequency up to 10KHZ
4 for Arduiuo NANO UNO esp8266 raspberry pi
5. Size:38mm*20mm*5mm
6. Weight:3.9g
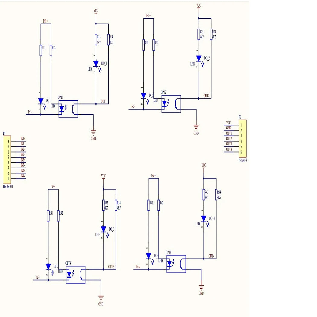
Module wiring terminal and definition:
Function |
Label |
Instruction |
Signal Input |
1+ |
The first signal input anode |
1- |
The first signal input cathode |
|
2+ |
The second signal input anode |
|
2- |
The second signal input cathode |
|
3+ |
The third signal input anode |
|
3- |
The third signal input cathode |
|
4+ |
The fourth signal input anode |
|
4- |
The fourth signal input cathode |
|
Power Input |
VCC |
DC power anode(*) |
GND |
DC power supply cathode |
|
Signal Output |
O1 |
The first signal output |
O2 |
The second signal output |
|
O3 |
The third signal output |
|
O4 |
The fourth signal output |
(*):The DC power supply is the same as the signal output voltage. For example, if the signal is from 3.3V to 5V, then VCC=5V input.
Schematic diagram of the internal structure of the module:
Module connection diagram:
Common anode signal(NPN) input:
Input and output truth table |
|
Signal Input |
Signal Output |
H(High level)5V |
L(Low level)0V |
L(Low level)0V |
H(High level)24V |
Note:
In this example, the anode of the signal power supply is DC +5v, and the anode of the module power supply is DC +24V
Common cathode signal input:
Common cathode signal(PNP) input:
Input and output truth table |
|
Signal Input |
Signal Output |
H(High level)5V |
H(High level)24V |
L(Low level)0V |
L(Low level)0V |
Note:In this example, Module power supply is DC+24V
Differential signal input:
Input and output truth table |
|
Signal Input |
Signal Output |
H(High level) |
H(High level)24V |
L(Low level) |
L(Low level)0V |
Note:
In this example, Module power supply is DC+24V
Share




















